Introduction
Early in the morning on July 8th, a torrential transboundary flood wave surged down the Lhende River in China, crossed the Nepal-China border at Rasuwaghadi, and flowed into Nepal via the the Upper Trishuli River. The flood impacted communities as far as 100km downstream and caused extensive damage to critical border infrastructure, including border facilities, bridges, and multiple hydropower projects.
This event has been attributed to the rapid expansion and sudden drainage of a supraglacial lake system that formed atop the Purepu Glacier, approximately 35 kilometers upstream from the Nepal-China border at an elevation of about 5,150 meters above sea level.1The Government of Nepal’s Department of Hydrology and Meteorology formally attributed the cause of this flash flood event to these supraglacial lakes on July 10th. An independent team of three scientists (Qiao Lui, Amrit Thapa, and Jakob Steiner) working within the scientific collective HIRISK, was the first group to issue a formal report highlighting the these lakes and the role they played, on July 9th – see the HIRISK report. The flood occurred without warning at 3:15 a.m. Nepal time (5:30 a.m. Beijing time), and no alerts were issued in advance. As of one week later, eleven people were confirmed dead and 17 remain missing, including both Nepali and Chinese nationals.

The flood surge destroyed the main “Friendship Bridge” at the border, halting trans-Himalayan commerce along Nepal’s busiest trade corridor with China.2This bridge, referred to as “Miteri Pul” in Nepali is symbolically named to reference the Nepali concept of deep friendship approaching kinship or brotherhood. For more information on the construction of this bridge, the importance of this trans-Himalayan corridor, and the formal opening of this trade route after the 2015 Nepal earthquake led to the closure of what had long been the main route through Sindhupalchowk – see Murton, G., Lord, A., & Beazley, R. (2018). “A handshake across the Himalayas:” Chinese investment, hydropower development, and state formation in Nepal. In The Geoeconomics and Geopolitics of Chinese Development and Investment in Asia (pp. 129-158). Routledge. Near the border town of Timure, the river inundated the dry port area, carrying away container trucks and several Chinese-imported electrical vehicles. Agricultural lands along the riverbanks were eroded as the channel widened downstream. The Nepal Army deployed helicopters to assist in rescuing 55 individuals stranded by the flood.
Seven hydropower projects in the Upper Trishuli basin were severely affected, taking nearly 250 megawatts of current power generation offline — about 8% of Nepal’s national power supply. Construction on the 216 MW Upper Trishuli project also suffered damage, and floodwaters undermined a recently completed transmission substation that evacuates power from the “trans-Himalayan power corridor”.3For more detail on intensive infrastructure development and multi-scalar infrastructure politics in this watershed, see Murton, Galen, and Austin Lord. “Trans-Himalayan power corridors: Infrastructural politics and China’s belt and road initiative in Nepal.” Political Geography 77 (2020): 102100.

Searching for the Source
Puzzlingly, the July 8 flood occurred during a lull in monsoon season rainfall, with little to no rain at the time of the event.4The lack of rainfall and analysis of recent trends ruling our precipitation triggers was noted in press-releases from both Nepal’s Department of Hydrology and Meteorology and ICIMOD on July 8. This led many experts to suspect a glacial lake outburst flood (GLOF) or a landslide dam outburst flood (LDOF) caused by a river blockage. The direction of flow at the confluence in Rasuwaghadi pointed to the upper Lhende watershed in China’s Gyirong County — a sparsely populated and highly glacierized area to the north of Nepal’s Langtang Valley. However, the cause of the flood remained unclear in the immediate aftermath.
Within the first 24 hours, experts from Nepal, China, and several international countries, including the Stimson Center, began collaborating to assess the damage and investigate the flood’s origin. Stimson’s Early Warning Systems for Cascading Disasters project team supported the Government of Nepal—particularly the National Disaster Risk Reduction and Management Authority (NDRRMA) and the Department of Hydrology and Meteorology (DHM)—by collecting and analyzing satellite imagery. The team had previously conducted similar analyses of regional disasters, including in the aftermath of the August 2024 Thame GLOF.5Lord, Austin “Rethinking Himalayan Cryosphere Risk Assessment in the Wake of Nepal’s Thame Disaster” The Stimson Center, Issue Brief. (September 2024)
On the morning of July 8th (US Eastern time) Stimson’s team began mapping out a few areas of interest and identifying ways that post-event synthetic aperture radar (SAR) satellite imagery could help test hypotheses about the flood’s source. Tasking orders were then sent to ICEYE US, a private satellite imagery company that collects high-resolution SAR imagery on demand. SAR is a useful complement to optical satellite imagery because it penetrates cloud cover and collects imagery at night — an advantage during the monsoon season. Collecting high-resolution SAR imagery from private satellite providers can also prove very useful during extended periods where publicly available SAR data from the Sentinel-1 program of European Space Agency (ESA) has not yet been released.6The Stimson Center has been utilizing private SAR imagery for several years and testing its efficiency in the Himalayan region since 2023 – previously working with the satellite provider Umbra and now with ICEYE US.
The analysis aimed to detect landform deformations and disturbance that would indicate potential sources or flow-paths, so to capture a picture of the overall event. Initially, our team’s priority was to collect imagery of a selection of glacial lakes to confirm changes in lake size or identify breach events. A past report by the International Centre for Integrated Mountain Development (ICIMOD) that surveyed and assessed a broader set of high-risk glacial lakes had classified one lake in the Lhende area as a potential risk.7Bajracharya, Samjwal R., Sudan Bikash Maharjan, Finu Shrestha, Tenzing Chogyal Sherpa, Nisha Wagle, and Arun Bhakta Shrestha. Inventory of glacial lakes and identification of potentially dangerous glacial lakes in the Koshi, Gandaki, and Karnali river basins of Nepal, the Tibet Autonomous Region of China, and India. International Centre for Integrated Mountain Development and United Nations Development Programme, 2020. However, the broader watershed contained dozens of smaller glacial lakes – many of which might pose a risk given lessons learned from the 2024 Thame GLOF about how even relatively small and overlooked glacial lakes can cause significant destruction.

The complex geography of the Himalayas makes earth observation of this kind infamously difficult, but the Stimson team has been experimenting with private SAR in order to show that this kind of imagery can be effective under certain conditions.8In this case, the set of imaging tasks selected were chosen to experiment with different routes and imaging angles in such a way as to increase the chances of getting effective and clear imagery of potential source areas and flow-paths. We requested both coarser “strip” imagery (30km by 50km, 3m resolution) that would allow us to scan the landscape and “spot” imagery (5km by 5km at 1m resolution) that would enable focused analysis on critical areas of interest. While the efficacy of some images was limited by topographic obstructions, several of the images were very useful in helping detect changes (or the lack of change) so as to narrow down the investigation within the broader area of interest.
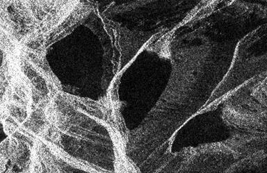
Over the next 36 hours, imagery from several glacial lakes were evaluated. For example, a cluster of three glacial lakes near a site referred to as Dudang in the upper catchment of the Lhende Khola that our team had previously flagged as a potential cascading hazard zone, due to the possibility of cascading interactions between the lakes. However, post-event analysis comparing the imagery (Figure 4, below) helped rule out a GLOF from this source area. As satellite image tasks came back, GLOF events were ruled out at most of these lakes.


Figure 4: An example comparing optical imagery from June 6 (Planet) with post-event imagery tasked on July 8 (ICEYE US, 3m resolution). Our team had previously identified this cluster of three glacial lakes as risky, and this comparison enabled us to rule out a GLOF from this source area. Similar analyses was conducted for several other lakes of interest.
Later that day, optical imagery from the ESA’s Sentinel-2 satellite and Planet provided clearer views of deep valley sections. These images helped the team to examine channel morphology and evaluate potential flow-paths. After integrating SAR and optical imagery, the Stimson team reached out to a set of scientific advisors to compare interpretations. Conversations with Jakob Steiner and Amrit Thapa from the scientific collective called HiRISK helped shift the focus of our analysis to the easternmost sub-watershed of the Lhende watershed and the Purepu Glacier area. Sentinel-2 imagery provided a clear view of a large supraglacial lake on top of the Purepu Glacier, a large valley glacier which fills the upper reaches of that catchment. Historical imagery showed that the lake had grown rapidly (it used to be a cluster of separate lakes) and then partially drained between July 6 and 8. Channel disturbances downstream of the glacier further suggested the hypothesis of a sudden release.
The HiRISK assessment released on July 9 was the first to publicly identify rapid discharge from the Purepu Glacial lakes as the main source of the flood.9HiRISK is a collaborative effort between a network of scientists working in the broader High Mountain Asia – including scientists from Nepal, India, China, Pakistan, Bhutan, and Tajikistan, as well as the Himalayan University Consortium. This network has created rapid assessments for several other disaster events in the past, which are open source and available. While not immediately conclusive due to some persistent cloud cover and other contributing factors, the imagery strongly supported this hypothesis. The lake system had not drained entirely and the possibility that the observed changes in the extent and surface area of the Purepu lake system would correspond to such a destructive and far-reaching flood pulse was still difficult to accept.10The Stimson team had mapped potential hazards in this area in early 2024 and noted one of these lakes – but this was before the lake expanded, so we had not flagged this lake system as an area of concern. We had assumed that a relatively small set of lakes located several kilometers a valley glacier could not cause such a surge. Some scientists continued their search, questioning whether a supraglacial lake could release enough water to cause the scale of destruction observed downstream.11Like several others, the Stimson team also continued searching for other cascading hazard features that might offer other explanations for the massive flood pulse – such as landslides that could have blocked the river and caused an outburst flood – until we collected radar imagery that confirmed the absence of other impoundments. However, as additional imagery became available and alternative sources were ruled out, consensus that the flood was driven by rapid discharge from the Purepu supraglacial lake system emerged.

The Thame GLOF, which occurred in the Khumbu region of Nepal on August 16, 2024,tested previous scientific assumptions about methods for assessing the risks posed by glacial lakes, showing that even small lakes can become dangerous after rapid expansion and highlighting the need to account for potential downstream impacts.12See Lord, Austin “Rethinking Himalayan Cryosphere Risk Assessment in the Wake of Nepal’s Thame Disaster” The Stimson Center, Issue Brief. (September 2024). This latest event was another stark reminder for experts in disaster and climate risk assessment—– even though some were familiar with the risks posed by supraglacial lakes, it was unexpected for a lake to grow and drain this rapidly.
The Unique Dynamics of Supraglacial Lakes
Glacial lake outburst floods are a major hazard in the Himalayan region, particularly as climatic volatility causes increasing rates of glacial melt, causing existing lakes to grow and new lakes to form. To date, geoscientists have identified evidence of 26 past GLOF events in Nepal alone, though many other smaller events in remote areas are unrecognized and unaccounted for. The Stimson Center has convened expert webinars to analyze previous GLOF disasters, their impacts, and potential policy implications – both in the wake of the 2023 South Lhonak GLOF in Sikkim, India and following the 2024 Thame GLOF in Nepal.13See the links included above to access recordings of these past Stimson webinars. New research published that focuses on the South Lhonak GLOF expands our understanding of the cascading hazard interactions that make these events even more destructive. See: Sattar, Ashim, Kristen L. Cook, Shashi Kant Rai, Etienne Berthier, Simon Allen, Sonam Rinzin, Maximillian Van Wyk de Vries et al. “The Sikkim flood of October 2023: drivers, causes, and impacts of a multihazard cascade.” Science 387, no. 6740 (2025): eads2659.
Several GLOF events have previously occurred in transboundary watershed along the Nepal-China Border14See this study for a comprehensive dataset. Shrestha, Finu, Jakob F. Steiner, Reeju Shrestha, Yathartha Dhungel, Sharad P. Joshi, Sam Inglis, Arshad Ashraf, Sher Wali, Khwaja M. Walizada, and Taigang Zhang. “A comprehensive and version-controlled database of glacial lake outburst floods in High Mountain Asia.” Earth System Science Data 15, no. 9 (2023): 3941-3961. – and evidence exists for a handful of smaller GLOF events throughout the Lhende watershed. The event with the greatest level of transboundary impacts was the Gongbatongsha GLOF of July 2016, which caused extensive damage to hydropower and road infrastructure along another Nepal-China trade corridor in Nepal’s Bhotekoshi/Sunkoshi watershed.15Sattar, Ashim, Umesh K. Haritashya, Jeffrey S. Kargel, and Alina Karki. “Transition of a small Himalayan glacier lake outburst flood to a giant transborder flood and debris flow.” Scientific reports 12, no. 1 (2022): 12421.
A regional inventory by ICIMOD and UNDP identified 47 high-risk glacial lakes in the Himalayan region and projects a three-fold increase in GLOF risk across the region by the end of the 21st century.16This list of 47 high-risk lakes included 25 lakes in the Tibet Autonomous Region of China, 21 lakes in Nepal, and 1 in India. For more information please reference the full ICIMOD/UNDP inventory published in 2020. Bajracharya, Samjwal R., Sudan Bikash Maharjan, Finu Shrestha, Tenzing Chogyal Sherpa, Nisha Wagle, and Arun Bhakta Shrestha. Inventory of glacial lakes and identification of potentially dangerous glacial lakes in the Koshi, Gandaki, and Karnali river basins of Nepal, the Tibet Autonomous Region of China, and India. International Centre for Integrated Mountain Development and United Nations Development Programme, 2020. Five other lake outburst events had already occurred in High Mountain Asia this year prior to this disaster – including GLOFs in Kyrgyzstan, Tajikistan, Pakistan and Afghanistan and a recent thermokarst lake outburst in the Limi Valley of Humla, Nepal.17A recent report on “the growing pace of glacial origin floods” from the International Centre for Integrated Mountain Development (ICIMOD) reviews these events and general trends. Since the 2025 monsoon season was forecast to be more intense than usual, at the regional scale and in the central Himalayan region, more GLOFs could occur in the coming months.18The most widely accepted 2025 seasonal forecast was generated by the 31st Session of South Asian Climate Outlook Forum (SASCOF-31) held in Pune, India in late April 2025 – see a summary of SASCOF-31 here. Other official government agencies, including Nepal’s Department of Hydrology and Meteorology have also issued monsoon season forecasts, though they typically build from the regional SASCOF outlook
Supraglacial lake flood events, however, are less common – in part because the dynamics of formation and failure are different. Most large glacial lakes form at the terminus of a glacier, where meltwater is impounded by glacial moraines which create natural dams. Supraglacial lakes form on top of glaciers – when meltwater comes from other local sources and either flows over or upwells within the glacial mass, collecting in specific low-lying areas on the glacier. These reservoirs can be created at different scales; smaller lakes can merge as they grow; and they can be connected via channels, tunnels, and cracks atop and within the glacier. Critically, the dams that hold back supraglacial lakes are made of ice – so they can be compromised by warming.

Scientific research has been conducted on supraglacial lake dynamics across the world, and there are even some case studies focusing on lake dynamics and past events in the Himalayan region.19Two leading examples focus on the Khumbu region of Nepal, both: Miles, Evan S., C. Scott Watson, Fanny Brun, Etienne Berthier, Michel Esteves, Duncan J. Quincey, Katie E. Miles, Bryn Hubbard, and Patrick Wagnon. “Glacial and geomorphic effects of a supraglacial lake drainage and outburst event, Everest region, Nepal Himalaya.” The Cryosphere 12, no. 12 (2018): 3891-3905. And Chand, Mohan Bahadur, and Teiji Watanabe. “Development of supraglacial ponds in the Everest Region, Nepal, between 1989 and 2018.” Remote Sensing 11, no. 9 (2019): 1058. A similar supraglacial lake event, albeit at a lesser scale, occurred on July 2017 on the Changri Shar glacier in Nepal’s Everest region (Miles et al 2018). At the same time, even experts studying supraglacial lakes did not expect that a lake could expand so quickly and then drain so rapidly and catastrophically. Will increasing climatic volatility in the Himalayas and other glaciated mountain regions cause events like this to become more common?
Neither disaster managers or policymakers fully understood or acknowledged the destructive potential of this specific kind of glacial lake – in part because they emerge in remote places, expanding and contracting largely unnoticed. At the time of the disaster, the lakes forming on the Purepu Glacier were not being actively monitored, and so no one was able to recognize the risks that these growing lakes posed downstream.
Satellite imagery from Sentinel-2 (ESA) shows a constellation of small supraglacial lakes on top of the Purepu Glacier growing and merging – a trend that seems to have begun in early 2025 and accelerated in early July due to rapid snowmelt. Early reports from DHM and scientific partners working with the HIRISK group estimate that the total area of the combined lake peaked just prior to the July 8 event at approximately 638,000 m2.20Notably estimates are focused largely based on surface area alone, as accurately accounting for water volume stored in invisible subsurface tunnels within the glacier is more challenging. Post-event imagery from July 8 (Sentinel-2, optical) and July 9 (Sentinel-1, SAR) revealed a 30% reduction in surface area – a significant decline. Rapid analysis by Professor Mohan Chand from Kathmandu University suggests that this lake system has also expanded and contracted seasonally in recent years, and evidence of disturbance along the flow-path also suggests that there was another significant drainage event in 2023.21See Mohan Chand “Rasuwa Flood: in 2023 during monsoon period, the lake in the source area of Lhende River showed the similar pattern as of 2025,” LinkedIn Post, July 9, 2018. This smaller past event may have also deposited loose materials along the river course that were recruited by the 2025 event.
That said, looking at this from a different perspective: imagery of the lakes before and after the event clearly shows that the lakes system’s extents have only been partially reduced, and that a great deal of water remains impounded on and potentially within this glacier.

Satellite images reveal two critical insights: first, even partial reductions in the surface area of a large lake system (a subtle difference, which one might not immediately recognize as a major risk using optical imagery) can lead to catastrophic impacts downstream. Second, these lakes have not completely drained: so the risk of future floods from rapid discharge remains.
As the above images demonstrate, levels in this specific constellation of lakes seem to have been reduced to same levels observed just a few weeks ago (compare the far-left image to far right). If this is the case, the lake could conceivably fill back up just as quickly during the monsoon season and then drain rapidly again, either in the near or distant future. At this point, it is very difficult to say how much water remains stored within this supraglacial lake system and within the (largely invisible) channels and conduits within the Purepu Glacier – preliminary estimates suggest that this could be around 15-20 million cubic meters (personal communication). Could this water be released gradually, or suddenly?22Hypothetically, because large pulses of floodwater flowing through subglacial tunnels can also widen the tunnels, these lakes could drain even more rapidly in the future.
A great deal of uncertainty remains, but it seems that the potential for another similar event (perhaps triggered by rapid melt or extreme precipitation) cannot be ruled out. This raises an urgent question: how can officials navigate these uncertainties and manage lingering risks?
The Need for Multi-Modal Approaches to Monitoring
Looking ahead, this disaster points to the need to develop methods and workflows for monitoring other supraglacial lakes that may pose a downstream risk. Given the scale of the issue, any attempt to monitor even a fraction of glacial lakes – supraglacial or proglacial, currently identified and still to be recognized – will require the use of satellite imagery and remote analysis.23ICIMOD (2020) had previously identified a total of over 25,000 glacial lakes in the broader Hindu Kush Himalaya region (all kinds combined) and the vast majority are in remote areas where consistent physical access is a challenge As usual in the Himalaya, the challenge lies in knowing where to look and what exactly to look for – and increasing climatic volatility and increasing rates of meltwater accumulation also means looking more often.
To begin with, the lakes on the Purepu glacier will need to be closely monitored in the wake of the recent floods, likely using a mix of remote sensing field-based methods. Conversations with colleagues in Nepal suggest that Chinese authorities have committed to developing a site-based early warning system here as well – an intervention that will be critical for sharing alerts and managing downstream risk in Nepal. Hopefully these initiatives will also yield systems and insights that can help inform hazard monitoring and EWS efforts in other trans-Himalayan watersheds.
Scientific research has already led to the identification of a few other high-risk lake sites that could trigger trans-Himalayan hazard chains. For example, colleagues at the Chinese Academy of Sciences’ Institute of Mountain Hazards and Environment (IMHE) have recently conducted analysis of GLOF risks and potential impacts in four trans-Himalayan basins in Nepal that enable trans-Himalayan trade, including the Gyirong-Rasuwa corridor.24See Khadka, Nitesh, Xiaoqing Chen, Weiming Liu, Manish Raj Gouli, Chonglei Zhang, Bhaskar Shrestha, and Shankar Sharma. “Glacial lake outburst floods threaten China-Nepal connectivity: Synergistic study of remote sensing, GIS and hydrodynamic modeling with regional implications.” Science of The Total Environment 948 (2024): 174701. This publication flagged the Gyirong-Rasuwa watershed as a trans-Himalayan watershed with the highest levels of potential GLOF risk (average risk score for glacial lakes evaluated)

This map effectively illustrates the density of lakes that could pose transboundary risks – yet the recent Purepu lake event suggests that levels of risk may be even higher than previously thought. For example, some lakes which were not previously considered to be a major risk may have increased in size and others may have formed in new sites. In some areas scientists have even attempted to predict trajectories and locations of future lake development – and this event will catalyze further modeling and anticipatory exercises.25Allen, Simon K., Ashim Sattar, Owen King, Guoqing Zhang, Atanu Bhattacharya, Tandong Yao, and Tobias Bolch. “Glacial lake outburst flood hazard under current and future conditions: worst-case scenarios in a transboundary Himalayan basin.” Natural Hazards and Earth System Sciences 22, no. 11 (2022): 3765-3785.
Stimson’s team is currently experimenting with using private high-res SAR imagery to identify and monitor high-risk lakes and other emergent risks as climatic conditions change. For example, in the wake of the Purepu event, Stimson has been using ICEYE US imagery to track changes in the dimensions of another large supraglacial lake referred to as the Nyanang Phu in a nearby watershed in Nyalam County, China, which has been identified as a concern by authorities in Nepal in recent days. Tasking SAR satellites to collect imagery of glacial lakes or other landforms of interest amid storms or during extended periods of rainfall (when cloud cover limits optical satellite imagery) can help with timely assessment of changing hazards.26Using private SAR imagery to track lake dynamics and identify deformations is also useful because experts’ ability to monitor often subtle changes in these systems are limited by the spatial and temporal resolution of publicly available satellite imagery. If satellite tasking into the storm is possible then it can help generate timely evidence and enable near-real time analysis instead of waiting several additional days for clear optical imagery or SAR imagery from ESA’s Sentinel-1 to become available. As briefly described above, the challenge is identifying the right opportunities for tasking and selecting the appropriate imaging angle.
That said, monitoring supraglacial lakes remotely is no easy task, and a complementary mix of remote and in situ methods are necessary. Scientists can use remote sensing tools to monitor changes in the surface area of lakes and track some obvious features to assess movement, but it is very difficult to subsurface dynamics and flows using remote sensing. Moreover, these lakes often expand and contract seasonally, meaning that experts need to evaluate patterns against historical trends to understand anomalies. High-resolution digital elevation models (DEMs) can help, but eventually grounded observations are key for validation and for evaluating risks in three dimensions. To support adaptive management under uncertainty, monitoring systems should focus on developing multimodal methods for monitoring that blend remote sensing with citizen science approaches to engage locals and leverage localized knowledge.27Lord, A. “When preparing for climate disasters, integrate local knowledge.” Dialogue Earth (May 2024). https://dialogue.earth/en/climate/opinion-climate-disasters-integrate-local-knowledge/.
In the wake of this recent disaster, the goal should be to develop methods and insights from future efforts to monitor the Purepu lakes and assess potential multi-hazard interactions that can be applied to other lake systems and transboundary basins. This event may also catalyze new and collaborative efforts between China and Nepal to assess and communicate regarding the changing dimensions of transboundary risks.
Looking Ahead: An Opportunity to Reckon with Climate Risks and Improve Transboundary Coordination
This supraglacial origin flash flood, the increasing frequency of GLOF-like events, and other recent extreme flow events like the 2021 Melamchi Disaster indicate how the Himalayan hazardscape is changing.28See Chen, Chan-Mao, James Hollingsworth, Marin K. Clark, Deepak Chamlagain, Sujata Bista, Dimitrios Zekkos, Anuj Siwakoti, and A. Joshua West. “Erosional cascade during the 2021 Melamchi flood.” Nature Geoscience 18, no. 1 (2025): 32-36. Further, the severe level of damage caused by this event highlights an array of cascading hazards and vulnerabilities that policymakers and disaster managers will need to reckon with as climate change introduces new kinds of systemic risks and uncertainties. Some of the issues raised here are also recurring questions: so these recent floods are both a new variation on an old theme and yet another wake-up call.
1. Improving monitoring and early warning systems is essential.
The most urgent set of problems focuses on the need to build monitoring and early warning systems that can enable better management of transboundary risks – for supraglacial lake hazards or other cascading hazard possibilities. Government officials in both China and Nepal are already in conversation with cryosphere scientists about the best way to design these systems for the Purepu supraglacial lakes and perhaps other lakes in other proximate border areas. These interventions are necessary and timely, but how can the designs and approaches that will emerge from these timely collaborations be scaled to other locations?
What blend of remote sensing technology and in situ monitoring is most appropriate given the set of hazards and multi-hazards interaction, both recognized and unrecognized, in each problem space? To be clear: it is not always possible to detect emergent risks or provide timely warnings for unexpected hazards, particularly in complex Himalayan systems (our team at Stimson also struggles with these challenges). Nonetheless, we must all work together to attempt to drive innovation and improve methods for monitoring – because this is necessary to achieve the UN’s long-term goal of the Early Warnings for All initiative.
2. Transboundary coordination is necessary.
Critically, this was not the first trans-Himalayan flood event that has caused damage in Nepal, and it is highly unlikely that it will be the last.29See above for a selection of other historical events, including the Gongbatongsha 2016 GLOF that caused damage along the Bhotekoshi River in Sindupalchowk. Sattar, Ashim, Umesh K. Haritashya, Jeffrey S. Kargel, and Alina Karki. “Transition of a small Himalayan glacier lake outburst flood to a giant transborder flood and debris flow.” Scientific reports 12, no. 1 (2022): 12421. To keep pace with changing hazard regimes, Nepal and China need to increase cooperation and coordination: to enable comprehensive monitoring, to share data and alerts that can help provide early warnings, and to distribute information and alerts that can save lives and property on both sides of the border. Transboundary research might also yield insights that could help people living with glacier hazards in other places design their own monitoring systems to help cope with increasing climate risk.
At this point, disaster authorities, high-level officials, and scientists from the Government of Nepal have conducted site visits in Rasuwa and have initiated the formal process of post-disaster damage assessment. At present, DHM and NDRRMA are awaiting further information on disaster processes and potential future risks from field-based assessments being conducted by Chinese authorities in the Purepu area. Early coordination between Nepalese and Chinese authorities has reportedly been effective and pursued at multiple scales. That said, data sharing has always proven difficult in this region – so how can chronic problems with data governance be navigated to create more effective collaborations and enable life-saving anticipatory actions? Institutional dialogue on transboundary hazards in the coming weeks will speak volumes about the real possibilities for collaboration and information sharing.
3. Hydropower and riparian infrastructure is chronically vulnerable
The damage caused by this flood is yet another reminder of the chronic vulnerability of hydropower projects and other in-stream infrastructure to extreme events, across the Himalayan region30See Li, Dongfeng, Xixi Lu, Desmond E. Walling, Ting Zhang, Jakob F. Steiner, Robert J. Wasson, Stephan Harrison et al. “High Mountain Asia hydropower systems threatened by climate-driven landscape instability.” Nature Geoscience 15, no. 7 (2022): 520-530.. Because Rasuwa’s Bhotekoshi/Trishuli watershed is one of the most intensively developed rivers in Nepal, this event also demonstrated how a cascading series of hydropower projects can be affected by a single extreme flow event. In the past ten years, dams in this watershed and other trans-Himalayan basins nearby have been repeatedly impacted by a series of different hazards – from floods and landslides, to new threats like GLOFs shaped by the looming threat of climate change, to ever-present seismic risks. These events have led to costly repairs and delays in construction, with damages totaling in the billions of dollars – and yet most of the hydropower sector continues to plan projects that do not fully account for disaster and climate risks.31For analysis of this form of “strategic ignorance” in Nepal’s hydropower sector see Lord, Austin. “Speculation and seismicity: Reconfiguring the hydropower future in post-earthquake Nepal.” In Water, Technology and the Nation-State, pp. 167-188. Routledge, 2018. For a complementary analysis focused on disaster and climate risks in Sikkim see: Huber, Amelie. “Hydropower in the Himalayan hazardscape: Strategic ignorance and the production of unequal risk.” Water 11, no. 3 (2019): 414 How many extreme events will it take for developers and government officials to recalibrate future hydropower plans to fully reckon with these risks?
In the wake of this event, the hydropower sector and government planners need to critically assess chronic vulnerability of existing hydropower projects and invest in rigorous multi-hazard assessments that can account for emergent and unforeseen risks as well.32The Asian Development Bank’s “Building Adaptation and Resilience in the Hindu Kush Himalayas-Bhutan and Nepal” project, initiated partly in response to the damage incurred to a major ADB-finance infrastructure project during the 2021 Melamchi floods, is a step in this direction. See https://www.adb.org/projects/57059-001/main. This event could cause project planners and donors to reevaluate and perhaps reformulate current plans for intensive hydropower development in other basins – current discourse in Nepal indicates this may be a possibility, but past debates about these risks have had little long term impact to date. Will this latest disaster result in lessons learned, or eventually be (conveniently) forgotten?
4. New tools are needed to monitor and assess emergent climate-related disaster risks.
Climate change is amplifying existing risks and surfacing new uncertainties across the Himalayan region – outpacing our collective understanding of the impacts and risks it can create. The rapid and unforeseen expansion of the lakes on the Purepu glacier and the lack of monitoring in this area indicate that climatic volatility in the Himalaya is yet another example of this trend. Each year, new events like the 2024 Thame GLOF or the thermokarst outburst flood in Nepal’s Limi Valley in April 202533The recent thermokarst outburst in the Limi Valley of Nepal also occurred without rainfall and is being linked the increasing instability of permafrost in the high Himalayas. reveal more about what kinds of hazard interactions are possible and what kind of data and evidence we need to assess mutli-hazard risks. Unfortunately, events like these continue to happen in our blind spots – so we need to develop new workflows and multimodal tools to help identify emergent risks.
On a positive note, the case of the Lhende/Rasuwa floods also demonstrates that collective analysis of openly available satellite data and transboundary exchange on already available satellite data can enable very rapid post-event analysis. The international community of experts capable of responding to these events is considerable and talented. From this perspective, both the quality and rapidity of analysis and the exchange of information between analysts and government officials in Nepal has perhaps never been greater. The key is to cultivate networks that enable rapid information sharing and collaborative analysis. Investment in this kind of collaborative knowledge production is critical to map out the rapidly changing dimensions of the Himalayan hazardscape – and it is critically needed to assess shifting climate impacts and generate alerts and warnings that could save lives.
The Purepu lakes and the disastrous floods they caused are yet another wakeup call – providing more evidence that the Himalayas are melting on an accelerated timeframe.34In their study of the 2017 Changri Shar event, Miles et al (2018) ended with this statement: “We expect that outburst floods of this type and magnitude are not common, but will increase due to climate warming and glacier recession” (Miles et al 2018: p. 3901). The supraglacial dynamics on the Purepu glacier and the intensity of this catastrophic flood suggests that these are not future risks to be filed away alongside other climate projections – supraglacial lakes are already a major risk in the here and now. Such signals have been ignored before. And yet, this trans-Himalayan disaster could provide an opportunity to rethink transboundary hazard monitoring, disaster governance systems, and infrastructure planning processes in this region. Further, by applying insights from post-event analysis of this disaster, regional actors can strengthen monitoring and early warning systems, laying the foundation for more adaptive, collaborative, long-term approaches to managing Himalayan disaster and climate risks.
In the immediate wake of this disaster, there appears to be cause for cautious optimism. Perhaps the collaborations and networks that enabled rapid analysis of this event can enable new initiatives in information sharing and new approaches to risk assessment that can have a broader long-term impact. But we will have to wait and see how these collaborations unfold and evolve in the coming weeks, throughout the remainder of the monsoon season as other disasters occur in other places, and as climate risks and uncertainties intensify in the years to come.
Acknowledgements
Technical analysis for this piece was collectively conducted with the Stimson Nepal EWS Team. Special recognition is due to Regan Kwan for leading satellite imagery acquisition and geospatial analysis, Dr. Jakob Steiner for assisting with interpretation and evaluation of hazard processes, and Jeevika Khadka for helping analyze information on damage assessment.
The Stimson Team’s ability to conduct post-disaster analysis in support of our Government of Nepal partners is supported by the Australian Government Department of Foreign Affairs and Trade (DFAT), the Margaret A. Cargill Philanthropies (MACP), and The McConnell Foundation.
Notes
- 1The Government of Nepal’s Department of Hydrology and Meteorology formally attributed the cause of this flash flood event to these supraglacial lakes on July 10th. An independent team of three scientists (Qiao Lui, Amrit Thapa, and Jakob Steiner) working within the scientific collective HIRISK, was the first group to issue a formal report highlighting the these lakes and the role they played, on July 9th – see the HIRISK report.
- 2This bridge, referred to as “Miteri Pul” in Nepali is symbolically named to reference the Nepali concept of deep friendship approaching kinship or brotherhood. For more information on the construction of this bridge, the importance of this trans-Himalayan corridor, and the formal opening of this trade route after the 2015 Nepal earthquake led to the closure of what had long been the main route through Sindhupalchowk – see Murton, G., Lord, A., & Beazley, R. (2018). “A handshake across the Himalayas:” Chinese investment, hydropower development, and state formation in Nepal. In The Geoeconomics and Geopolitics of Chinese Development and Investment in Asia (pp. 129-158). Routledge.
- 3For more detail on intensive infrastructure development and multi-scalar infrastructure politics in this watershed, see Murton, Galen, and Austin Lord. “Trans-Himalayan power corridors: Infrastructural politics and China’s belt and road initiative in Nepal.” Political Geography 77 (2020): 102100.
- 4The lack of rainfall and analysis of recent trends ruling our precipitation triggers was noted in press-releases from both Nepal’s Department of Hydrology and Meteorology and ICIMOD on July 8.
- 5Lord, Austin “Rethinking Himalayan Cryosphere Risk Assessment in the Wake of Nepal’s Thame Disaster” The Stimson Center, Issue Brief. (September 2024)
- 6The Stimson Center has been utilizing private SAR imagery for several years and testing its efficiency in the Himalayan region since 2023 – previously working with the satellite provider Umbra and now with ICEYE US.
- 7Bajracharya, Samjwal R., Sudan Bikash Maharjan, Finu Shrestha, Tenzing Chogyal Sherpa, Nisha Wagle, and Arun Bhakta Shrestha. Inventory of glacial lakes and identification of potentially dangerous glacial lakes in the Koshi, Gandaki, and Karnali river basins of Nepal, the Tibet Autonomous Region of China, and India. International Centre for Integrated Mountain Development and United Nations Development Programme, 2020.
- 8In this case, the set of imaging tasks selected were chosen to experiment with different routes and imaging angles in such a way as to increase the chances of getting effective and clear imagery of potential source areas and flow-paths. We requested both coarser “strip” imagery (30km by 50km, 3m resolution) that would allow us to scan the landscape and “spot” imagery (5km by 5km at 1m resolution) that would enable focused analysis on critical areas of interest.
- 9HiRISK is a collaborative effort between a network of scientists working in the broader High Mountain Asia – including scientists from Nepal, India, China, Pakistan, Bhutan, and Tajikistan, as well as the Himalayan University Consortium. This network has created rapid assessments for several other disaster events in the past, which are open source and available.
- 10The Stimson team had mapped potential hazards in this area in early 2024 and noted one of these lakes – but this was before the lake expanded, so we had not flagged this lake system as an area of concern. We had assumed that a relatively small set of lakes located several kilometers a valley glacier could not cause such a surge.
- 11Like several others, the Stimson team also continued searching for other cascading hazard features that might offer other explanations for the massive flood pulse – such as landslides that could have blocked the river and caused an outburst flood – until we collected radar imagery that confirmed the absence of other impoundments.
- 12See Lord, Austin “Rethinking Himalayan Cryosphere Risk Assessment in the Wake of Nepal’s Thame Disaster” The Stimson Center, Issue Brief. (September 2024).
- 13See the links included above to access recordings of these past Stimson webinars. New research published that focuses on the South Lhonak GLOF expands our understanding of the cascading hazard interactions that make these events even more destructive. See: Sattar, Ashim, Kristen L. Cook, Shashi Kant Rai, Etienne Berthier, Simon Allen, Sonam Rinzin, Maximillian Van Wyk de Vries et al. “The Sikkim flood of October 2023: drivers, causes, and impacts of a multihazard cascade.” Science 387, no. 6740 (2025): eads2659.
- 14See this study for a comprehensive dataset. Shrestha, Finu, Jakob F. Steiner, Reeju Shrestha, Yathartha Dhungel, Sharad P. Joshi, Sam Inglis, Arshad Ashraf, Sher Wali, Khwaja M. Walizada, and Taigang Zhang. “A comprehensive and version-controlled database of glacial lake outburst floods in High Mountain Asia.” Earth System Science Data 15, no. 9 (2023): 3941-3961.
- 15Sattar, Ashim, Umesh K. Haritashya, Jeffrey S. Kargel, and Alina Karki. “Transition of a small Himalayan glacier lake outburst flood to a giant transborder flood and debris flow.” Scientific reports 12, no. 1 (2022): 12421.
- 16This list of 47 high-risk lakes included 25 lakes in the Tibet Autonomous Region of China, 21 lakes in Nepal, and 1 in India. For more information please reference the full ICIMOD/UNDP inventory published in 2020. Bajracharya, Samjwal R., Sudan Bikash Maharjan, Finu Shrestha, Tenzing Chogyal Sherpa, Nisha Wagle, and Arun Bhakta Shrestha. Inventory of glacial lakes and identification of potentially dangerous glacial lakes in the Koshi, Gandaki, and Karnali river basins of Nepal, the Tibet Autonomous Region of China, and India. International Centre for Integrated Mountain Development and United Nations Development Programme, 2020.
- 17A recent report on “the growing pace of glacial origin floods” from the International Centre for Integrated Mountain Development (ICIMOD) reviews these events and general trends.
- 18The most widely accepted 2025 seasonal forecast was generated by the 31st Session of South Asian Climate Outlook Forum (SASCOF-31) held in Pune, India in late April 2025 – see a summary of SASCOF-31 here. Other official government agencies, including Nepal’s Department of Hydrology and Meteorology have also issued monsoon season forecasts, though they typically build from the regional SASCOF outlook
- 19Two leading examples focus on the Khumbu region of Nepal, both: Miles, Evan S., C. Scott Watson, Fanny Brun, Etienne Berthier, Michel Esteves, Duncan J. Quincey, Katie E. Miles, Bryn Hubbard, and Patrick Wagnon. “Glacial and geomorphic effects of a supraglacial lake drainage and outburst event, Everest region, Nepal Himalaya.” The Cryosphere 12, no. 12 (2018): 3891-3905. And Chand, Mohan Bahadur, and Teiji Watanabe. “Development of supraglacial ponds in the Everest Region, Nepal, between 1989 and 2018.” Remote Sensing 11, no. 9 (2019): 1058.
- 20Notably estimates are focused largely based on surface area alone, as accurately accounting for water volume stored in invisible subsurface tunnels within the glacier is more challenging.
- 21See Mohan Chand “Rasuwa Flood: in 2023 during monsoon period, the lake in the source area of Lhende River showed the similar pattern as of 2025,” LinkedIn Post, July 9, 2018. This smaller past event may have also deposited loose materials along the river course that were recruited by the 2025 event.
- 22Hypothetically, because large pulses of floodwater flowing through subglacial tunnels can also widen the tunnels, these lakes could drain even more rapidly in the future.
- 23ICIMOD (2020) had previously identified a total of over 25,000 glacial lakes in the broader Hindu Kush Himalaya region (all kinds combined) and the vast majority are in remote areas where consistent physical access is a challenge
- 24See Khadka, Nitesh, Xiaoqing Chen, Weiming Liu, Manish Raj Gouli, Chonglei Zhang, Bhaskar Shrestha, and Shankar Sharma. “Glacial lake outburst floods threaten China-Nepal connectivity: Synergistic study of remote sensing, GIS and hydrodynamic modeling with regional implications.” Science of The Total Environment 948 (2024): 174701. This publication flagged the Gyirong-Rasuwa watershed as a trans-Himalayan watershed with the highest levels of potential GLOF risk (average risk score for glacial lakes evaluated)
- 25Allen, Simon K., Ashim Sattar, Owen King, Guoqing Zhang, Atanu Bhattacharya, Tandong Yao, and Tobias Bolch. “Glacial lake outburst flood hazard under current and future conditions: worst-case scenarios in a transboundary Himalayan basin.” Natural Hazards and Earth System Sciences 22, no. 11 (2022): 3765-3785.
- 26Using private SAR imagery to track lake dynamics and identify deformations is also useful because experts’ ability to monitor often subtle changes in these systems are limited by the spatial and temporal resolution of publicly available satellite imagery. If satellite tasking into the storm is possible then it can help generate timely evidence and enable near-real time analysis instead of waiting several additional days for clear optical imagery or SAR imagery from ESA’s Sentinel-1 to become available. As briefly described above, the challenge is identifying the right opportunities for tasking and selecting the appropriate imaging angle.
- 27Lord, A. “When preparing for climate disasters, integrate local knowledge.” Dialogue Earth (May 2024). https://dialogue.earth/en/climate/opinion-climate-disasters-integrate-local-knowledge/.
- 28See Chen, Chan-Mao, James Hollingsworth, Marin K. Clark, Deepak Chamlagain, Sujata Bista, Dimitrios Zekkos, Anuj Siwakoti, and A. Joshua West. “Erosional cascade during the 2021 Melamchi flood.” Nature Geoscience 18, no. 1 (2025): 32-36.
- 29See above for a selection of other historical events, including the Gongbatongsha 2016 GLOF that caused damage along the Bhotekoshi River in Sindupalchowk. Sattar, Ashim, Umesh K. Haritashya, Jeffrey S. Kargel, and Alina Karki. “Transition of a small Himalayan glacier lake outburst flood to a giant transborder flood and debris flow.” Scientific reports 12, no. 1 (2022): 12421.
- 30See Li, Dongfeng, Xixi Lu, Desmond E. Walling, Ting Zhang, Jakob F. Steiner, Robert J. Wasson, Stephan Harrison et al. “High Mountain Asia hydropower systems threatened by climate-driven landscape instability.” Nature Geoscience 15, no. 7 (2022): 520-530.
- 31For analysis of this form of “strategic ignorance” in Nepal’s hydropower sector see Lord, Austin. “Speculation and seismicity: Reconfiguring the hydropower future in post-earthquake Nepal.” In Water, Technology and the Nation-State, pp. 167-188. Routledge, 2018. For a complementary analysis focused on disaster and climate risks in Sikkim see: Huber, Amelie. “Hydropower in the Himalayan hazardscape: Strategic ignorance and the production of unequal risk.” Water 11, no. 3 (2019): 414
- 32The Asian Development Bank’s “Building Adaptation and Resilience in the Hindu Kush Himalayas-Bhutan and Nepal” project, initiated partly in response to the damage incurred to a major ADB-finance infrastructure project during the 2021 Melamchi floods, is a step in this direction. See https://www.adb.org/projects/57059-001/main.
- 33The recent thermokarst outburst in the Limi Valley of Nepal also occurred without rainfall and is being linked the increasing instability of permafrost in the high Himalayas.
- 34In their study of the 2017 Changri Shar event, Miles et al (2018) ended with this statement: “We expect that outburst floods of this type and magnitude are not common, but will increase due to climate warming and glacier recession” (Miles et al 2018: p. 3901). The supraglacial dynamics on the Purepu glacier and the intensity of this catastrophic flood suggests that these are not future risks to be filed away alongside other climate projections – supraglacial lakes are already a major risk in the here and now.